簡介:
COPPUS DOUBLE DUTY HEAT KILLER強效工業風機,適用工序冷卻和人員降溫。DOUBLE DUTY散熱器為現今市場上用途較廣的散熱通風機之一,送風量高達23,978m3/hr。具有專利導式葉片,可調整控制氣流,選擇冷卻的微風或者集中噴射的強風,以符合實際操作的需要。
特色:
?專利導式葉片,能調整氣流,將微風轉化為集中噴射
?提供18"、24"及30”三種機型
?可安裝地面與墻上
?重型鋼制外殼及框架,堅固耐用
?OSHA標準保護屏
?可提供封閉型及防爆型兩種馬達
?危險環境專用的開關馬達,符合NEC防爆等級 Classi ,Division1 Group DCIassll,Division1 Group F&G,馬達具有過熱保護設計。
性能:
|
性能數據
|
|||||||||||||
|---|---|---|---|---|---|---|---|---|---|---|---|---|---|
|
Double-Duty Heat Killer
|
自由風量
|
各種距離的空氣流速風量變化
|
|||||||||||
|
10ft (3m)
|
30ft (9m)
|
50ft (15m)
|
70ft (21m)
|
90ft (27m)
|
|||||||||
|
cfm
|
m3/hr
|
fpm
|
m/min
|
fpm
|
m/min
|
fpm
|
m/min
|
fpm
|
m/min
|
fpm
|
m/min
|
||
|
24K07D-JB
|
60Hz
|
7,100
|
12,060
|
1,252
|
380
|
628
|
191
|
419
|
127
|
262
|
79
|
138
|
42
|
|
24K07D-DF
|
7,100
|
12,060
|
501
|
152
|
280
|
85
|
209
|
64
|
172
|
52
|
-
|
-
|
|
|
24K10D-JB
|
9,500
|
16,140
|
1,675
|
508
|
840
|
255
|
560
|
170
|
350
|
106
|
185
|
56
|
|
|
24K10D-DF
|
9,500
|
16,140
|
670
|
203
|
375
|
114
|
280
|
85
|
230
|
70
|
-
|
-
|
|
|
30K30D-JB
|
17,000
|
28,890
|
2,250
|
686
|
1,000
|
304
|
900
|
274
|
700
|
213
|
475
|
145
|
|
|
30K30D-DF
|
17,000
|
28,890
|
1,280
|
390
|
520
|
159
|
340
|
104
|
310
|
95
|
-
|
-
|
|
|
24K07D-JB
|
50Hz
|
5,975
|
10,158
|
1,054
|
320
|
528
|
161
|
352
|
107
|
220
|
67
|
116
|
35
|
|
24K07D-DF
|
5,975
|
10,158
|
421
|
128
|
236
|
72
|
176
|
54
|
145
|
44
|
-
|
-
|
|
|
24K10D-JB
|
7,997
|
13,595
|
1,410
|
428
|
707
|
215
|
471
|
143
|
295
|
89
|
156
|
47
|
|
|
24K10D-DF
|
7,997
|
13,595
|
564
|
171
|
316
|
96
|
236
|
72
|
194
|
59
|
-
|
-
|
|
|
30K30D-JB
|
15,988
|
27,180
|
2,116
|
645
|
940
|
286
|
846
|
258
|
658
|
200
|
447
|
136
|
|
|
30K30D-DF
|
15,988
|
27,180
|
1,204
|
367
|
489
|
150
|
320
|
98
|
292
|
89
|
-
|
-
|
|
|
型號 |
風扇尺寸 |
馬達 |
||
|
|
In. |
mm |
HP |
rpm |
|
18K03D |
18 |
457 |
1/3 |
1,450 |
|
24K07D |
24 |
610 |
3/4 |
1,450 |
|
24K10D |
24 |
610 |
1 (EPl.5) |
1,450 |
|
30K30D |
30 |
762 |
3 |
1,450 |
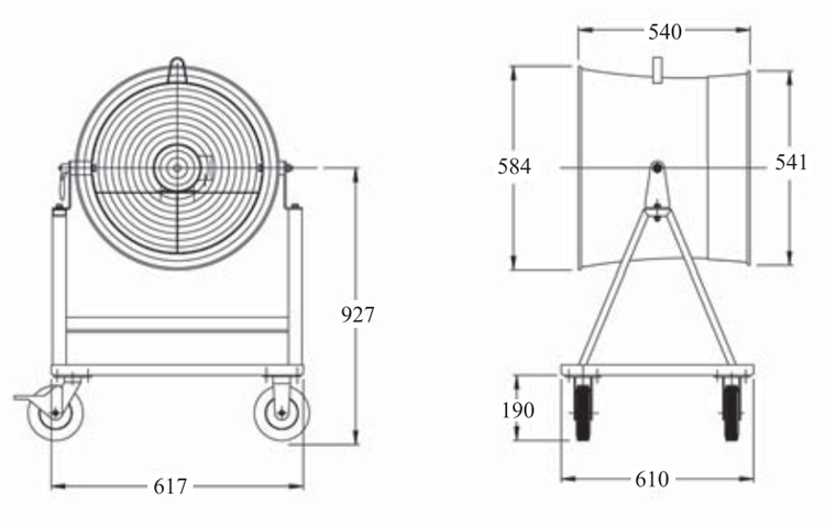
DDHK18K 尺寸結構圖(mm):

氣流、風量:
型號
1073m
3079m
50715m
70721m
90727m
JB
DF
JB
DF
JB
DF
JB
DF
JB
DDHK-18K03D
913
352.8
374
216
291
149
228
112
-
DDHK-24K10D
1,390.3
556
697
311
465
232
291
191
154
DDHK-30K30D
1,867.5
1,062
830
432
747
282
581
257
394
型號
dBA
WT(lbs/kgs)
DDHK-18K03D
72
140(59)
DDHK-24K07D
79
180(82)
DDHK-24K10D
84
180(82)
DDHK-30K30D
90
230(104)
?強大的30 DDHK可提供高達14,110 cfm(23,978m3/hr)
?可調節的導向葉片可以產生從微風到噴射風的多種氣流模式
墻上固定型裝置:
?節省地面空間
?保護永久固定
?可做360度旋轉或上下
?各65度或90度
空氣速度參數表:
自風扇出口起各種距離的fpm(m/min) 集中噴射(JB)與擴散送風(DF )
風機重量:
278.1
107.9
114
66
89
46
70
34
421.6
168
212
95
141
71
88
58
46
569.4
324
252
132
227
86
177
79
120
適用行業:
Coppus便攜式散熱降溫鼓風機為各行業提供一個可靠安全的空氣供應及交換系統,特別針對密閉空間操作中的工序及機械冷卻及人員降溫,以改善總體生產效率及操作安全。
噴涂和噴漆:干燥及固化,排煙、供應新鮮空氣,保證舒適安全的工作環境;
鋼廠高溫操作車間:工序冷卻、人員降溫;
電力以及燃氣應用:地下通風、設備冷卻,排煙;
造紙廠:密閉空間通風,人員降溫;
造船廠:定位焊接作業過程排煙,供應新鮮空氣;
船舶:船艙換氣;
煉油廠:設備冷卻,密閉空間通風,人員降溫;
化工廠:排煙、通風、人員降溫;
食品加工處理:排煙、工序冷卻;
發電:密閉空間通風、人員降溫;
COPPUS通風機型號大全:
1、Double Duty Heat Killer
COPPUS-DDHK-18K03D、COPPUS-DDHK-24K07D、COPPUS-DDHK-24K10D、COPPUS-DDHK-30K30D
2、Jectair Hornet
COPPUS-Jectair-3S-HP、COPPUS-Jectair-3-HP、COPPUS-Jectair-6-HP、COPPUS-Jectair-8、COPPUS-Jectair-9
3、Reaction Fans
COPPUS-RF-12、COPPUS-RF-16、COPPUS-RF-20、COPPUS-RF-24
4、CADETS
COPPUS-VAC4(普通)、COPPUS-VEP4(防爆)、COPPUS-CAC4(普通)、COPPUS-CEP4(防爆)
5、VANO
COPPUS-175CV、COPPUS-250CV
6、COPPUS-Air Max-12
7、TA16
COPPUS-TA16-5000、COPPUS-TA16-5500
8、Portavent
COPPUS-PV-500、COPPUS-PV-750、COPPUS-PV-1000
9、Ventair
COPPUS-TM-4、COPPUS-TM-5、COPPUS-TM-6、COPPUS-TM-8、COPPUS-TM-9
聯系人:沈先生
手 機:133-7212-5666
郵 箱:China@swn.cn
公 司:蘇州薩沃納
地 址:江蘇省昆山市慶豐西路555號